18mm Image Intensifier Tube GTX846AST
18mm Image Intensifier Tube GTX846AST
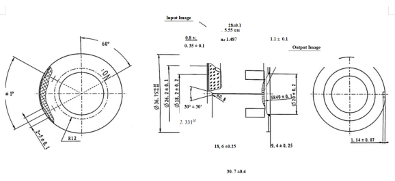
Product Details
•Note:
1,(DEBI Equivalent background illumination, measured after up to 2 minutes stabilization in the dark with the operational voltage applied.
2,Signal to noise ratio : measured in the circle(diameter:0.2), equivalent system frequency.
3,On the area of 1mm² .illumination flux 0.05lm,lasting 60 seconds .
4,Measured for 0.3ms both parallel and perpendicular to the axis separately with power supply applied, totally for 6 times. g=9.8m/s2 Separately operation in parallel and vertical directions of tube axes with the supply voltage applied for 1 time from 10→3500→10Hz in 30 minutes.
Leave your messages
Related News
Russian clients visit
2023-06-09
Lightning arreste
2023-06-07
High voltage circuit breakers
2023-06-07









