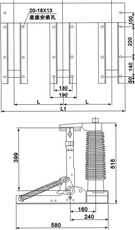
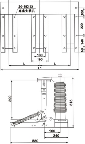
JN22-40.5/31.5 Indoor High-Voltage Grounding Switch
JN22-40.5/31.5 indoor high-voltage grounding switch (hereinafter referred to as grounding switch) is an advanced product with high technical parameters and performance developed by Xi'an High Voltage Apparatus Research Institute. Through comprehensive assessment, its performance conforms to the provisions of GB1985-89 AC High Voltage Disconnectors and Earthing Switches. It is applicable to the 40.5kV AC 50Hz power system. It can be used together with KYN61-40.5 and other types of high-voltage switch cabinets, and can also be used for grounding protection during the maintenance of high-voltage electrical equipment.
JN22-40.5/31.5 indoor high-voltage grounding switch (hereinafter referred to as grounding switch) is an advanced product with high technical parameters and performance developed by Xi'an High Voltage Apparatus Research Institute. Through comprehensive assessment, its performance conforms to the provisions of GB1985-89 AC High Voltage Disconnectors and Earthing Switches. It is applicable to the 40.5kV AC 50Hz power system. It can be used together with KYN61-40.5 and other types of high-voltage switch cabinets, and can also be used for grounding protection during the maintenance of high-voltage electrical equipment.
□ Operating environmental conditions
Ambient air temperature: upper limit+40 ℃, lower limit - 10 ℃.
Altitude not exceeding 1000m
The seismic intensity shall not exceed 8 degrees
Places free from fire, explosion, serious pollution, chemical corrosion and severe vibration.
□ Model meaning
J N 22 - 40.5 / 31.5 - □
| | | | | |_______ Phase to phase distance (mm)
| | | | |______________ 4S thermal stability current (kA)
| | | |_____________________ Maximum voltage (KA)
| | |___________________________ Design No
| |______________________________ Indoor device
|_________________________________ Earthing switch




