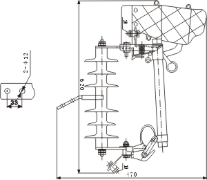
Composite Pillar Dropout Fuse
Composite pillar dropout fuse Features introduction
Composite pillar drop-out fuse adopts silicon rubber epoxy glass fiber rod instead of porcelain pillar, which has better mechanical strength and pollution resistance, no-cleaning and easy maintenance, can reduce the occurrence of pollution flashover, and is light in weight, not easy to break, and easy to transport Installation has been well received by users in the promotion and application in recent years.
The role of drop-out fuses
10kV equipment can be installed on the high-voltage side of the transformer on the pole, where the transformer and capacitor are connected to the line. The drop-out fuse can effectively protect the circuit from overload and short-circuit. At the same time, it can also be installed at the end of a long line or on a branch line, which can provide extended protection for areas that cannot be protected by relays. The structure of the drop-out fuse is not complicated but relatively simple, and it is also very economical in terms of price, and it does not require a lot of effort in future maintenance, because the small size is good for installation, and the fuse is in the distribution network. Has been widely used.
Working principle of dropout fuse
The fuse passes through the fuse tube and both ends are tightened at the same time. In the normal working state, the fuse relies on the tension of the fuse to make the upper moving contact and the lower static contact of the fuse tube form reliable contact. If there is a fault in the line, the drop-out fuse at this time will immediately blow the fuse, thereby forming an arc and generating a large amount of gas in the fuse tube, and blowing the arc to elongate the arc to extinguish it, and then At the same time, under the action of gravity, the fuse tube will fall down according to the principle of inertia and cut off the circuit, forming an obvious disconnection distance.
Operation sequence of dropout fuse
When the power is off: the order of operating the drop-out fuse is first the middle and then both sides;
During power transmission: the order of operating the drop-out fuse is first on both sides and then in the middle;
There is no such thing as "upwind side and downwind side".
Under normal circumstances, it is not allowed to operate drop-out fuses with load, and only allow them to operate unloaded equipment (lines). However, branch lines of 10kV distribution lines in rural power grids and distribution transformers with a rated capacity of less than 200kVA are allowed to operate under load according to the following requirements:
(1) The operation shall be carried out by two persons (one under supervision and one under operation), but they must wear tested insulating gloves, insulating boots and goggles, and use qualified insulating rods with matching voltage levels to operate. Operation is prohibited in heavy rainy weather.
(2) During the switching operation, it is generally stipulated that the middle phase should be broken first, then the leeward side phase, and finally the windward side phase should be broken. This is because the distribution transformer is changed from three-phase operation to two-phase operation, and the arc spark generated when the intermediate phase is pulled off is the smallest, which will not cause short circuit between phases. The second is to break the leeward side phase, because the middle phase has been pulled apart, the distance between the leeward side phase and the windward side phase has doubled, even if there is an overvoltage, the possibility of short circuit between phases is very small. When the windward side phase is finally pulled off, there is only a capacitive current to the ground, and the generated electric spark is already very slight.
(3) When closing the switch, the operation sequence is reversed, first close the windward side phase, then close the leeward side phase, and finally close the middle phase.
(4) The operation of the fusion tube is a frequent item. If it is not noticed, it will cause burns on the contacts, resulting in poor contact, overheating the contacts, annealing the springs, and making the contact contact even worse, forming a vicious circle. Therefore, moderate force should be used when pulling and closing the fusion pipe. After closing, carefully check that the tongue of the duckbill can tightly hold more than two-thirds of the length of the tongue. You can hook the upper duckbill with the brake lever and press down a few times. Try pulling again gently to check if it fits well. If the switch is not in place or not securely closed, the static contact pressure on the fuse is insufficient, which can easily cause the contact to burn or the fuse tube to fall by itself.





